
Miniature Bearings Australia
REF-140-R-CB-F - Datasheet
MBA
Category Information
Rod Ends - Female - Steel - Plain - Bronze LinedBronze Lined Plain Steel Female Rod Ends. Imperial and Metric / Carbon Steel. Also known as Heim Joints
- An expanded range may be available on special order. Please enquire.
- Dimensions not shown are available on request.
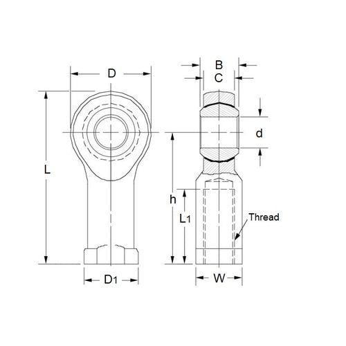
Product Data
- Eye Size (d1)
:
14
mm
(Equiv. 0.551 in.) - Overall Length (L)
74.000
mm
(Equiv. 2.913 in.) - Thread Size (T) M14x1.5 Right
- Thread Length (l2) 25.00 mm
- Head Width (W) 13.50 mm
- Eye Width (W1) 19.00 mm
- Centre Height (l1) 57.00 mm
- Grease Nipple Yes
- Body Width/Flange Width(W2/D3) 22.00 / 25.00 mm
- Material Bronze Lined Steel
Product Compliance and Data
Additional Resources
Cross References
- Misumi® E-GYN14A
- EGYN14A


