
Miniature Bearings Australia
DS-62RS - Datasheet
MBA
Category Information
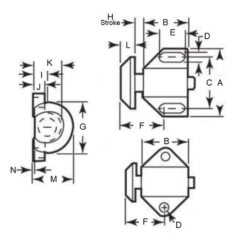
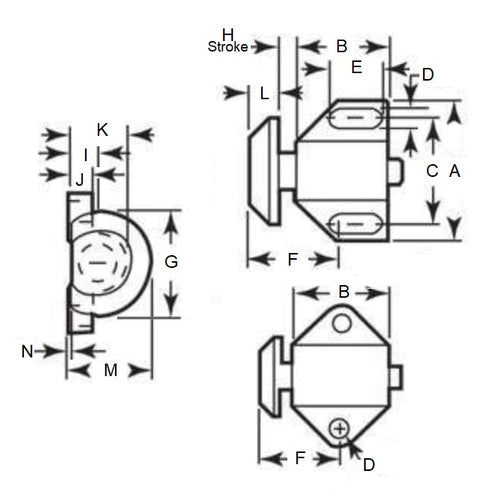
Stops - Spring Flat ButtonSpring Flat Button Stops. Flat button nose selection.
- Spring stops are used extensively in the locating of parts in jigs and fixtures, particularly where fixture walls are not available.
- Properly radiused nose for perfect fit with no wobble.
- Plunger is case hardened low carbon steel. Aluminium body.
Product Data
- Half-Depressed End Force : 14.51 Kg
- A
50.80
mm
(Equiv. 2 in.) - B
34.93
mm
(Equiv. 1.375 in.) - C 38.10 mm
- D 6.35 mm
- E 17.53 mm
- F 33.34 mm
- G 38.10 mm
- H 6.35 mm
- I 11.11 mm
- J 6.35 mm
- K / L / M / N 22.23 / 9.53 / 30.16 / 0.40 mm
Product Compliance and Data
Additional Resources


