
Miniature Bearings Australia
CMP24-0793-0572-112 - Datasheet
MBA
Category Information
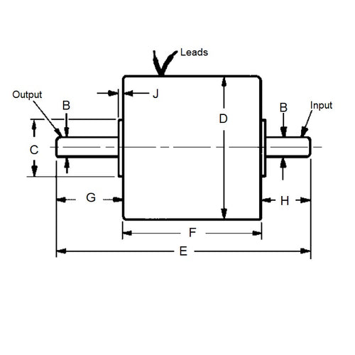
Clutches - Magnetic Particle 24VDCMagnetic Particle 24VDC Clutches. Ultrafast Responses.
- The input shaft becomes coupled to the output shaft with electrical excitation.
- Shafts have a flat on the end.
- Soft or fast start.
Product Data
- Torque Range : 138 to 5765 g.cm
- Shaft Diameter
7.930
mm
(Equiv. 0.312 in.) - Overall Length
111.760
mm
(Equiv. 4.4 in.) - Max. Speed 2000
- Outside Diameter 57.150
Product Compliance and Data
Additional Resources
Cross References
- S90MPAC23D31
- S90MPA-C23D31


