
Miniature Bearings Australia
BLTO-01200-CS-C1-T - Datasheet
MBA
Category Information
Balls - Tooling - One Piece - Construction - SteelSteel Construction One Piece Tooling Balls. 1144 steel heat treated to 53-57 RC
- High quality tooling balls provide a precise reference point for critical machining operations.
- Tooling balls, also known as tooling spheres or precision spheres, are precision components used in fixture design, tooling setup, and alignment applications.
- Tooling balls are made of hardened steel or other materials with high wear resistance and precision-ground surfaces.
- Precise shoulder base to ball centre line dimension within +/- 0.00508mm.
- Ball and shank are concentric within 5 microns (0.0002 in.) TIR.
Product Data
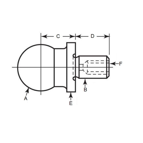
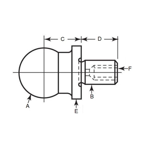
- Diameter (A)
:
12.000
mm
+/- 0.0051
(Equiv. 0.472 in.) - Shank Diameter (B)
6.000
mm
+/- 0.0051
(Equiv. 0.236 in.) - Base to Centre (C)
22.000
mm
(Equiv. 0.866 in.) - Shoulder to Centre (D) 12.000 mm
- Shoulder Diameter (E) 12.500 mm +/- 0.0051
- Base Type Tapped 6-32UNC
- Material Carbon Steel
Product Compliance and Data
Additional Resources
Cross References
- MTB-826885
- MTB826885


