
Miniature Bearings Australia
7901-15-CSN-KC-U5-ECO - Datasheet
ECO
Category Information
Bearings - Angular Contact - Single Row Ball - Chrome SteelChrome Steel Single Row Ball Angular Contact Bearings. Including miniature sizes down to 8mm from stock and even smaller available.
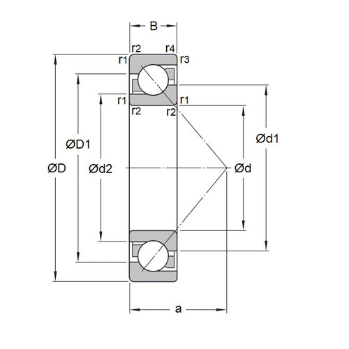
- These bearings have four points of contact between the balls and the raceways, allowing them to accommodate thrust loads in addition to radial loads.
- These bearings have raceways in the inner and outer rings that are offset to each other and are inclined at an angle to the bearing axis.
- Angular contact bearings are used in various applications where precise rotation, high-speed performance, and load-carrying capacity are required. An expanded range may be available on special order. Please enquire.
- Single Row Ball Beariangs - Angular Contact.
Product Data
Deleted Item. Available while stocks last. Ceramic balls.
Please contact us first if you wish to use this item in a new design so we can check whether production can be resumed.
- ID (d)
:
12.000
mm
(Equiv. 0.472 in.) - OD (D)
24.000
mm
(Equiv. 0.945 in.) - Width (B)
6.000
mm
(Equiv. 0.236 in.) - Precision Grade Abec 7
- Closure Type Open
- Bearing Type Angular Contact
- Material Chrome Steel SAE 52100 - High Speed Phenolic Cage
Product Compliance and Data
Additional Resources
- Catalogue: Ceramic Bearings Catalogue
- Catalogue: Plastic Bearings Catalogue
- Catalogue: Standard Bearings Catalogue
- General: Bearing Cleanliness
- General: Bearing Clearances
- General: Bearing Flanges & Snap Rings
- General: Bearing Retainers (Cages)
- General: General Loads Information
- General: Lubrication
- General: Prefix & Suffix Guide
- General: Static vs Dynamic Loads
- Materials: 316 Stainless
- Materials: CASSTOP Anti-Corrosion Bearing Material
- Materials: Ceramic vs Ceramic Hybrid
- Materials: Ceramic Bearings in Vibratory Applications
- Materials: Ceramic Hybrid Bearings in Vibratory Applications
- Materials: General Bearing Materials
- Materials: Magnetism & Bearings
- Precision: 316 Stainless & Plastic Bearing Tolerances
- Precision: ABEC Basic Information
- Precision: Precision Bearing Tolerances
- Problem Solving: Bearing Failure
- Problem Solving: Fatigue (L10 Life)
- Problem Solving: Noise
Applications & Uses
- RC Nitro Engine Parts
- Axe Rossi - LSK - 21 - Bearing 14-25-6mm
- Axe Rossi - R21 - 21 - Bearing 14-25-6mm
- Axe Rossi - ROSSI - 21 - Bearing 14-25-6mm
- Axial - Spec 1S Size 28 - Rear Bearing 14-25-6mm
- Axial - Spec 1S Size 32 - Rear Bearing 14-25-6mm
- CEN - Matrix Ringer TR.28 - 25 - Bearing 14-25-6mm
- CMB - 21 Evo Redhead 14mm Crank - Rear Bearing 14-25-6mm
- CMB - EV02 - 67 - Bearing 14-25-6mm
- CMB - EVO2 - 35 - Bearing 14-25-6mm
- CMB - EVO2 - 45 - Bearing 14-25-6mm
- CMB - Red Head Marine - 21 - Bearing 14-25-6mm
- Dynamite - Platinum SG Off Road - 26 - Bearing 14-25-6mm
- Dynamite - Platinum SG Off Road - 427 - Bearing 14-25-6mm
- Dynamite - Platinum SG With PS Off Road - 0.21 - Bearing 14-25-6mm
- HPI - Nitro Star K4.6 - 12 - Bearing 14-25-6mm
- HPI - Pro RSC - 15 - Bearing 14-25-6mm
- LRP Nitro - Z.21R - 12 - Bearing 14-25-6mm
- LRP Nitro - Z.21R - 28 - Bearing 14-25-6mm
- Nosram - RS 21 Evo - 25 - Bearing 14-25-6mm
- OS - VG - 25 - Bearing 14-25-6mm
- OS - VZ-B - 40 - Bearing 14-25-6mm
- OS - VZ-R - 21 - Bearing 14-25-6mm
- OS - VZ-R - 46 - Bearing 14-25-6mm
- Racers - Axial - 15 - Bearing 14-25-6mm
- Racers - Edge - 21 - Bearing 14-25-6mm
- Reedy - VR - 21 - Rear Bearing
- SH - SH-21 Pro Competition Buggy - 90 - Bearing 14-25-6mm
- STS - 21-30 - 51 - Bearing 14-25-6mm
Cross References
- Reedy 28013
- BOCA 7901C-2RS-TB-A5-SRL
- BOCA 7901C-RS-TB-A5-SRL
- 1901H
- 7901C2RSTBA5SRL
- 7901CRSTBA5SRL
- B7901C/TB/P7/DUL


