
Miniature Bearings Australia
BP0120-0140-0250-DU - Datasheet
MBA
Category Information
Bushes - Unflanged - Split - Steel - DUDU Steel Split Unflanged Bushes. Composite bearing material conisting of 3 bonded layers; Steel backing bonded with porous sintered bronze interlayer which is impregnated and overlaid with polytetrafluroethylene (PTFE). Lead free.
- An expanded range may be available on special order. Please enquire.
- Operating Temperature -200o to 280o Celsius. Maximum load 250N/mm2.
- Requires No lubrication, provides maintenance free operation. Exhibits low wear rate, Seizure resistant.
- High Static and Dynamic Load capacity, Good frictional properties with negligible stick-slip. Resists Solvents, Compact and light.
- No water Absorption, Electrically conductive and shows no electrostatic effects, Good embedability and is tolerant of dusty environments.
- Good embedability and is tolerant of dusty environments. Speed Limit in oil 5 metres surface speed per second.
Product Data
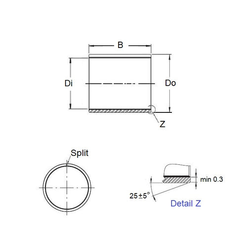
- Nominal Inside Diameter (d)
:
12.000
mm
- 0.000 / - 0.034
(Equiv. 0.472 in.) - Nominal Outside Diameter (D)
14.000
mm
+ 0.065 / - 0.000
(Equiv. 0.551 in.) - Length (s)
25.000
mm
+ 0.00 / - 0.30
(Equiv. 0.984 in.) - Material Steel DU with PTFE
Product Compliance and Data
Additional Resources
- DU Bush Material Information
- General Bushes Catalogue
- Sintered Bronze Products Catalogue
- Solid Bronze Bushes catalogue
Cross References
- 6679K39
- Glacier MB1225DU
- Glacier SF-1225-1W
- DU-1225
- DU1225
- SF12251W


