
Miniature Bearings Australia
0T-1270-0953-0165-SB - Datasheet
MBA
Category Information
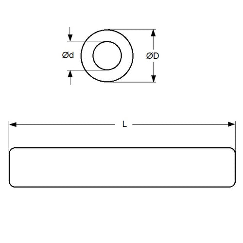
Tube - Round - Sintered BronzeSintered Bronze Round Tube. Oil impregnated sintered bronze tubing - self lubricating. B438 grade 1, Type 2 - AMS4805-D. SAE 841 Type 1, Class A
- Round tubing are available in many different materials.
- Includes K&S Metals range and more
- Sizes listed are FINISHED SIZE. Product supplied will be larger on OD and smaller on ID to allow for machining.
Product Data
- Nominal Outside Diameter
:
127.00
mm
+ 0.80 / + 3.20
(Equiv. 5 in.) - Nominal Inside Diameter
95.25
mm
- 0.80 / - 3.20
(Equiv. 3.75 in.) - Length (L)
165.1
mm
(Equiv. 6.5 in.) - Material Bronze SAE 841 Sintered
Product Compliance and Data
Additional Resources
Cross References
- Oilite CC-5004
- Oilube CC-5004
- CC5004
- A7B4-SCB3040
- A7B4SCB3040


