
Miniature Bearings Australia
BF0127-0191-0254-BS2532TH - Datasheet
MBA
Category Information
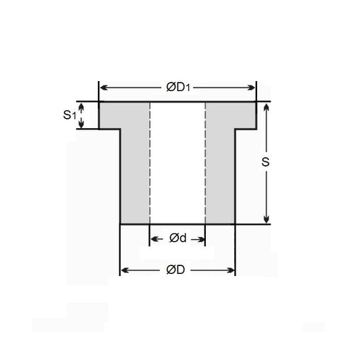
Bushes - Flanged - Bronze - SinteredSintered Bronze Flanged Bushes. Oil impregnated flanged sintered bronze bushes.
- An expanded range may be available on special order. Please enquire.
- Precision items show an allowable Load Speed Rating in Newtons times RPM.
Product Data
- Nominal Inside Diameter (d)
:
12.700
mm
+ 0.025 / + 0.051
(Equiv. 0.5 in.) - Nominal Outside Diameter (D)
19.050
mm
+ 0.051 / + 0.076
(Equiv. 0.75 in.) - Length (s)
25.400
mm
+/- 0.191
(Equiv. 1 in.) - Flange OD (D1) 25.40 mm
- Flange Thickness (S1) 3.18 mm
- Material Bronze SAE 841 Sintered
Product Compliance and Data
Additional Resources
- DU Bush Material Information
- General Bushes Catalogue
- Sintered Bronze Products Catalogue
- Solid Bronze Bushes catalogue
Cross References
- 6338K424
- Bunting BSF-1624-16
- Bunting EF081216
- Boston FB-812-8
- Oilite FB812-8
- Daemar FL-52-8
- BF012701910254BS
- QF3973
- QF397-3
- BSF162416
- A7B4SF162408
- A7B4-SF162408
- FB8128
- FL528


