
Miniature Bearings Australia
BP0127-0175-0222-BSHT1 - Datasheet
MBA
Category Information
Bushes - Unflanged - Bronze - SinteredSintered Bronze Unflanged Bushes. Oil impregnated sintered bronze bushes.
- An expanded range may be available on special order. Please enquire.
- Precision items show an allowable Load Speed Rating in Newtons times RPM.
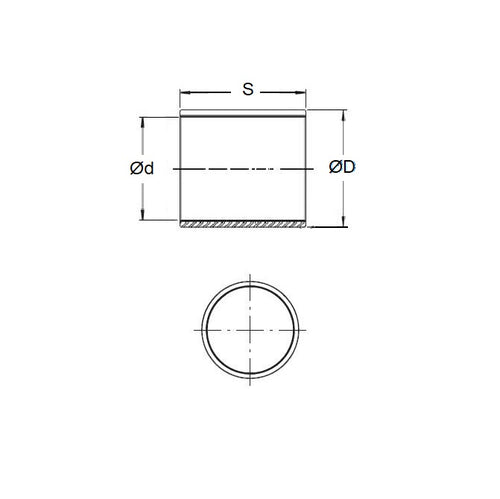
Product Data
- Nominal Inside Diameter (d)
:
12.700
mm
+ 0.051 / + 0.076
(Equiv. 0.5 in.) - Nominal Outside Diameter (D)
17.463
mm
+ 0.038 / + 0.064
(Equiv. 0.688 in.) - Length (s)
22.225
mm
+/- 0.127
(Equiv. 0.875 in.) - Material Bronze SAE 841 Sintered
Product Compliance and Data
Additional Resources
- DU Bush Material Information
- General Bushes Catalogue
- Sintered Bronze Products Catalogue
- Solid Bronze Bushes catalogue
Cross References
- Symmco SS-1622-14
- SS162214
- BP012701750222BS
- BP012701750222BSHH1
- A7B4SP162207
- A7B4-SP162207


