
Miniature Bearings Australia
BF0127-0175-0127-BS2432TH - Datasheet
MBA
Category Information
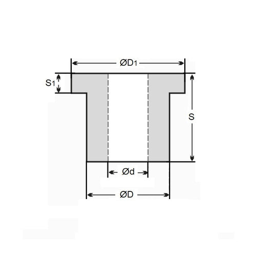
Bushes - Flanged - Bronze - SinteredSintered Bronze Flanged Bushes. Oil impregnated flanged sintered bronze bushes.
- An expanded range may be available on special order. Please enquire.
- Precision items show an allowable Load Speed Rating in Newtons times RPM.
Product Data
- Nominal Inside Diameter (d)
:
12.700
mm
+ 0.025 / + 0.051
(Equiv. 0.5 in.) - Nominal Outside Diameter (D)
17.463
mm
+ 0.038 / + 0.063
(Equiv. 0.688 in.) - Length (s)
12.700
mm
+/- 0.191
(Equiv. 0.5 in.) - Flange OD (D1) 23.84 mm
- Flange Thickness (S1) 3.18 mm
- Material Bronze SAE 841 Sintered
Product Compliance and Data
Additional Resources
- DU Bush Material Information
- General Bushes Catalogue
- Sintered Bronze Products Catalogue
- Solid Bronze Bushes catalogue
Cross References
- 6338K573
- Shorlube F1622-1
- Boston FB-811-4
- Oilite FB811-4
- BF012701750127BS
- F16221
- A7B4SF162204
- A7B4-SF162204
- FB8114


