Miniature Bearings Australia - MBA Minibearings
Miniature Bearings Australia

BF0127-0159-0064-BS2124TH - Datasheet

MBA

Category Information

Bushes - Flanged - Bronze - Sintered

Sintered Bronze Flanged Bushes. Oil impregnated flanged sintered bronze bushes.

  • An expanded range may be available on special order. Please enquire.
  • Precision items show an allowable Load Speed Rating in Newtons times RPM.

Product Data

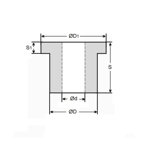
  • Nominal Inside Diameter (d) : 12.700 mm + 0.025 / + 0.051
    (Equiv. 0.5 in.)
  • Nominal Outside Diameter (D) 15.875 mm + 0.076 / + 0.102
    (Equiv. 0.625 in.)
  • Length (s) 6.350 mm +/- 0.127
    (Equiv. 0.25 in.)
  • Flange OD (D1) 20.62 mm
  • Flange Thickness (S1) 2.41 mm
  • Material Bronze SAE 841 Sintered
Country of Origin: US

Product Compliance and Data

Additional Resources

Cross References

  • BF012701590064BSTH
  • A7B4-F017
  • A7B4F017
View full details