
Miniature Bearings Australia
BP0127-0159-0222-BSTH - Datasheet
MBA
Category Information
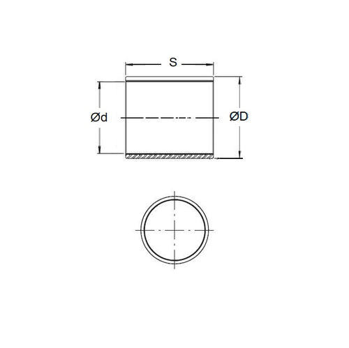
Bushes - Unflanged - Bronze - SinteredSintered Bronze Unflanged Bushes. Oil impregnated sintered bronze bushes.
- An expanded range may be available on special order. Please enquire.
- Precision items show an allowable Load Speed Rating in Newtons times RPM.
Product Data
- Nominal Inside Diameter (d)
:
12.700
mm
+ 0.025 / + 0.051
(Equiv. 0.5 in.) - Nominal Outside Diameter (D)
15.875
mm
+ 0.051 / + 0.076
(Equiv. 0.625 in.) - Length (s)
22.225
mm
+/- 0.127
(Equiv. 0.875 in.) - Material Bronze SAE 841 Sintered
Product Compliance and Data
Additional Resources
- DU Bush Material Information
- General Bushes Catalogue
- Sintered Bronze Products Catalogue
- Solid Bronze Bushes catalogue
Cross References
- 6391K408
- Bunting B-810-7
- Shorlube C1620-6
- Bunting EP081014
- Daemar P-50-7
- Symmco SS-1620-14
- SS162014
- BP012701590222BS
- B8107
- QT514
- QT51-4
- P507
- A7B4-SP162007
- A7B4SP162007
- C16206


