
Miniature Bearings Australia
LCP-0127-022-032-SP - Datasheet
MBA
Category Information
Linear - Sliding Bearings - Stainless - PTFE - ClosedClosed PTFE Stainless Sliding Bearings Linear. Stainless steel shell features FDA/USDA compliant, self lubricating PTFE composite liner. Bearings are direct drop in replacements for many inch sized ball bushings.
- Able to withstand rapid oscillation, contamination, shock/vibration, wash downs, submersion and shaft brinelling.
- Stainless steel shell. Designed to run on soft 300 series stainless shafting. Minimum hardness RB25. Ideal for drug and food processing equipment.
- Unafected by washdowns, contamination and submersion. Coefficient of friction is 0.12 to 0.20. Temperature range is -240 oC to 190 oC.
- Max static PSI 1000. SFM without any load is 400. Max PV is 10,000.
Product Data
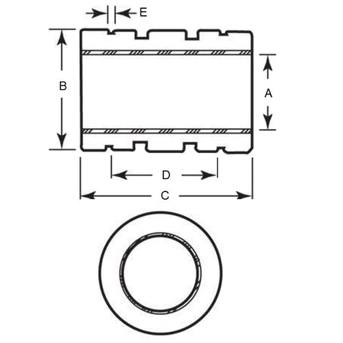
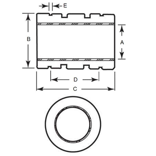
- Nominal Shaft Size (T)
:
12.71
mm
(Equiv. 0.5 in.) - Nom. Outer Diameter (D)
22.23
mm
(Equiv. 0.875 in.) - Overall Length (L)
31.75
mm
(Equiv. 1.25 in.) - Max. Load 12911 N
- Groove Distance (D) 22.23 mm
- Type Closed
- Material Stainless Steel with PTFE
Product Compliance and Data
Additional Resources
- Catalogue: Ceramic Bearings Catalogue
- Catalogue: Plastic Bearings Catalogue
- Catalogue: Standard Bearings Catalogue
- General: Bearing Cleanliness
- General: Bearing Clearances
- General: Bearing Flanges & Snap Rings
- General: Bearing Retainers (Cages)
- General: General Loads Information
- General: Lubrication
- General: Prefix & Suffix Guide
- General: Static vs Dynamic Loads
- Materials: 316 Stainless
- Materials: CASSTOP Anti-Corrosion Bearing Material
- Materials: Ceramic vs Ceramic Hybrid
- Materials: Ceramic Bearings in Vibratory Applications
- Materials: Ceramic Hybrid Bearings in Vibratory Applications
- Materials: General Bearing Materials
- Materials: Magnetism & Bearings
- Precision: 316 Stainless & Plastic Bearing Tolerances
- Precision: ABEC Basic Information
- Precision: Precision Bearing Tolerances
- Problem Solving: Bearing Failure
- Problem Solving: Fatigue (L10 Life)
- Problem Solving: Noise
Cross References
- Pacific L814-10 FDA
- LMB10
- LMB-10
- L81410 FDA


