
Miniature Bearings Australia
PBC-305RS - Datasheet
MBA
Category Information
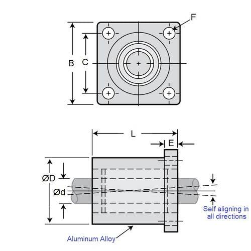
Linear - Housings Flanged 4 Bolt FrelonHousings Flanged 4 Bolt Frelon Linear. Single and double length
- Bearing is Frelon Gold -tm- encased in a flanged housing made from 6061-T6 aluminium. Double length has two bearings mounted internally.
- For rotating and linear motion.
Product Data
- Nominal Shaft Size
:
12.700
mm
+ 0.10 / + 0.05
(Equiv. 0.5 in.) - Base Height (C)
41.402
mm
(Equiv. 1.63 in.) - Length (A)
42.850
mm
(Equiv. 1.687 in.) - Overall Height (E) 161.290 mm
- Housing Height (D) 31.750 mm
- Bolt Centres (E) 31.750 mm
- Bolt Hole Size (G) 4.763 mm
- Material Frelon
Product Compliance and Data
Additional Resources
Cross References
- Pacific SFP-08
- SFP08


