
Miniature Bearings Australia
FS-105RS - Datasheet
MBA
Category Information
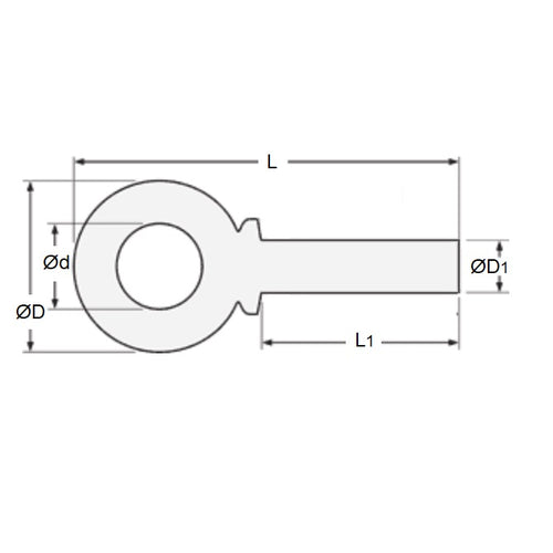
Eye Bolts - Blank ShankBlank Shank Eye Bolts. Forged self coloured carbon steel. No threads. No capacity rating as this will depend on your modifications.
- Fastener with a loop or eye at one end, and a unthreaded shank on the other.
- Used to attach ropes or cables to secure or lift objects by screwing the threaded end into a structure, with the loop providing an anchor point.
- Forged self coloured carbon steel.
- Should not be used for angular lifts greater than 45o. Safety swivel hoist rings are recommended for such applications.
Product Data
- Shank Diameter
:
12.700
mm
(Equiv. 0.5 in.) - Shank Length
38.100
mm
(Equiv. 1.5 in.) - Eye Inside Diameter
30.163
mm
(Equiv. 1.188 in.) - Material Steel
Product Compliance and Data
Additional Resources


