
Miniature Bearings Australia
REF-120-R-CB - Datasheet
MBA
Category Information
Rod Ends - Female - Steel - Plain - Bronze LinedBronze Lined Plain Steel Female Rod Ends. Imperial and Metric / Carbon Steel. Also known as Heim Joints
- An expanded range may be available on special order. Please enquire.
- Dimensions not shown are available on request.
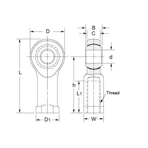
Product Data
- Eye Size (d1) : 12 mm
- Overall Length (L) 65.00 mm
- Thread Size (T) M12x1.75 Right
- Thread Length (l2) 24.00 mm
- Head Width (W) 12.00 mm
- Eye Width (W1) 16.00 mm
- Head Diameter (D) 30.00 mm
- Centre Height (l1) 50.00 mm
- Grease Nipple Yes
- Body Width/Flange Width(W2/D3) 19.00 / 22.00 mm
- Material Bronze Lined Steel
Product Compliance and Data
Additional Resources
Cross References
- Misumi® E-GYN12
- ASAHI® JAF12
- KWK KF12
- IKO PHS12
- Nachi® PHS-12
- NTN® SFI-12
- SFI12
- EGYN12


