
Miniature Bearings Australia
MLM-160M-088-S3NY-0LH-098 - Datasheet
MBA
Category Information
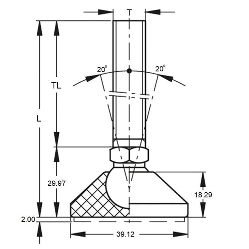
Mounts - Levelling Studded - Light Duty - Nylon - No Lag HolesNo Lag Holes Nylon Light Duty Levelling Studded Mounts. Adjusters.
- An expanded range may be available on special order. Please enquire.
Product Data
- Thread Size (A) : M16 (16x2mm)
- Base Diameter (D)
97.8
mm
(Equiv. 3.85 in.) - Foot Height (C)
18.3
mm
(Equiv. 0.72 in.) - Thread Length (F) 88.0 mm
- Base Height (E) 110.0 mm
- Overall Height 198.00 mm
- Load Rating 1170 Kg
- 20
- Material Stainless Steel
Product Compliance and Data
Additional Resources
Cross References
- MLM1170M16LNS3
- MLM0088M16LNS3
- RL1406S
- RL-1406-S


