
Miniature Bearings Australia
MLM-064C-038-CNP-I - Datasheet
MBA
Category Information
Mounts - Levelling Studded - Industrial - Nylon Padded - SteelSteel Nylon Padded Industrial Levelling Studded Mounts. Levelling adjusters. These industrial glides are an excellent and inexpensive solution for light duty applications such as office furniture, shelving, point of sale displays, cabinetry and small machinery.
- An expanded range may be available on special order. Please enquire.
- Clear zinc plated steel
- Nylon pad for glide applications.
Product Data
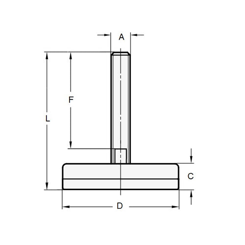
- Thread Size (A) : 1/4-20 UNC (6.35mm)
- Base Diameter (D)
30.5
mm
(Equiv. 1.201 in.) - Thread Length (F) 38.1 mm
- Base Height (E) 19.1 mm
- Overall Height (L) 57.15 mm
- Load Rating 110 Kg
- Finish Clear Zinc
- Pad Material Nylon
- Material Steel
Product Compliance and Data
Additional Resources
Cross References
- MLM0110064CCN
- GL10
- GL-10


