
Miniature Bearings Australia
WST-35RS - Datasheet
MBA
Category Information
Pins - Side Thrust - Single Sided - Plastic BallPlastic Ball Single Sided Side Thrust Pins. For holding, clamping and positioning work pieces. Body is black oxide steel.
- Spring-loaded component used for clamping, positioning, and holding workpieces in machinery and fixtures.
- Space-saving, simple alternative to more complex clamping methods and are designed to press against a part to secure it.
- Often used for tasks like locating components during machining, in jigs and fixtures, or for holding flat items like circuit boards.
- Plastic ball and stainless spring with black oxide coated steel body
Product Data
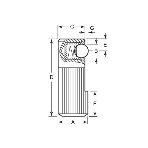
- Knurled Diameter (A)
:
11.938
mm
(Equiv. 0.47 in.) - Ball Diameter (B)
5.080
mm
(Equiv. 0.2 in.) - End Diameter (C)
10.160
mm
(Equiv. 0.4 in.) - D 35.052 mm
- E 4.826 mm
- F 8.890 mm
- G 1.524 mm
- Initial Load Rating 0.66 Kg
- Final Load Rating 1.32 Kg
- Material Plastic Ball
Product Compliance and Data
Additional Resources
View full details


