
Miniature Bearings Australia
SLQ-1111-1748-06668-T - Datasheet
MBA
Category Information
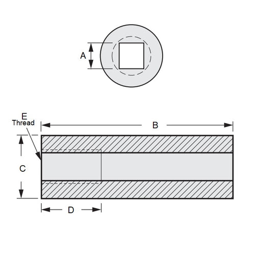
Sleeves - Square Hole - Threaded - Carbon SteelCarbon Steel Threaded Square Hole Sleeves. Square and concentric to 0.076mm (0.003in). Threaded.
- Precisely machined, round outer surface and a uniform, precisely square-shaped hole completely through its center.
Product Data
- Nominal Square Size
:
11.240
mm
+/- 0.0254
(Equiv. 0.443 in.) - Outside Diameter (C)
17.462
mm
(Equiv. 0.687 in.) - Length (B)
66.675
mm
(Equiv. 2.625 in.) - Actual Square Size (A) 11.111 mm
- Thread Depth (D) 15.875 mm
- Thread Size 1/2-20 UNF (12.700mm)
- Material Carbon Steel 11L17
Product Compliance and Data
Additional Resources
Cross References
- A7C19T043
- A7C19-T043
- SHS43
- SHS-43


