Miniature Bearings Australia - MBA Minibearings
Miniature Bearings Australia

JLP-210RS - Datasheet

MBA

Category Information

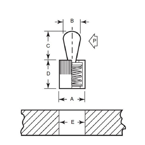
Pins - Locating Spring - Plastic Pin - Unsealed

Unsealed Plastic Pin Locating Spring Pins. Aluminium Body. For fixturing small parts in tight areas. Ideal for positioning and chucking flat or round parts for profile clamping.

    Product Data

    • Diameter (A) : 11.13 mm
      (Equiv. 0.438 in.)
    • Pin Diameter (B) 5.00 mm
      (Equiv. 0.197 in.)
    • Pin Height (C) 7.29 mm
      (Equiv. 0.287 in.)
    • D 8.99 mm
    • E 11.13 mm + 0.025 / - 0.000
    • P Force 6.12 Kg
    • X 1.60 mm
    • Installation Tool JLP-405
    • Material Plastic
    Country of Origin: US

    Product Compliance and Data

    Additional Resources

    View full details