
Miniature Bearings Australia
0T-0111-0093-0300-ALT6 - Datasheet
MBA
Category Information
Tube - Round - AluminiumAluminium Round Tube. Hollow aluminium round tubing for general hobby applications.
- Round tubing are available in many different materials.
- Includes K&S Metals range and more
- May be slightly oversized on OD so some reworking might be required before fitting closely mating parts.
- Includes K&S Metals range and more.
- This product is not recommended for use as a bearing shaft. We suggest you use items from the category - Shafting - Ground for bearing shaft.
- Many sizes fit neatly into larger sizes to allow for telescoping size applications. Some items may be available in longer or shorter lengths. E-mail us with enquiries.
Product Data
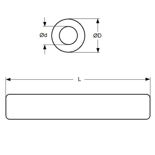
- OD (D)
:
11.11
mm
+/- 0.076
(Equiv. 0.437 in.) - ID (d)
9.33
mm
+/- 0.152
(Equiv. 0.367 in.) - Length (L)
300.0
mm
+/- 1.0
(Equiv. 11.811 in.) - Material Aluminium 6061-T6
Product Compliance and Data
Additional Resources
Cross References
- KSE KS3034
- KSE KSE-3034RNDALU7-16TUBE
- KSE3034RNDALU716TUBE


