
Miniature Bearings Australia
BF0111-0159-0159-BS2232LT - Datasheet
MBA
Category Information
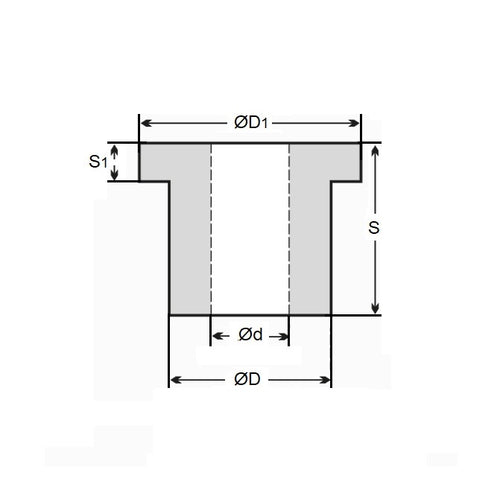
Bushes - Flanged - Bronze - SinteredSintered Bronze Flanged Bushes. Oil impregnated flanged sintered bronze bushes.
- An expanded range may be available on special order. Please enquire.
- Precision items show an allowable Load Speed Rating in Newtons times RPM.
Product Data
- Nominal Inside Diameter (d)
:
11.113
mm
+ 0.012 / + 0.038
(Equiv. 0.438 in.) - Nominal Outside Diameter (D)
15.875
mm
+ 0.025 / + 0.051
(Equiv. 0.625 in.) - Length (s)
15.875
mm
+/- 0.191
(Equiv. 0.625 in.) - Flange OD (D1) 22.23 mm
- Flange Thickness (S1) 3.18 mm
- Material Bronze SAE 841 Sintered
Product Compliance and Data
Additional Resources
- DU Bush Material Information
- General Bushes Catalogue
- Sintered Bronze Products Catalogue
- Solid Bronze Bushes catalogue
Cross References
- BF011101590159BSLT
- A7B4SF142005
- A7B4-SF142005


