
Miniature Bearings Australia
BP0111-0143-0191-BLG - Datasheet
MBA
Category Information
Bushes - Unflanged - Bronze - SolidSolid Bronze Unflanged Bushes. Solid precision leaded gunmetal bronze bushes. C93200 as indicated in the listings.
- An expanded range may be available on special order. Please enquire.
- Composition (Approx.) : Copper 81%, Tin 7%, Zinc 4%, Lead 6%, Nickel 2%.
- Hardness : 70-90 BHN.
Product Data
Deleted Item. Available while stocks last.
Please contact us first if you wish to use this item in a new design so we can check whether production can be resumed.
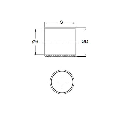
- Nominal Inside Diameter (d)
:
11.113
mm
+/- 0.0254
(Equiv. 0.438 in.) - Nominal Outside Diameter (D)
14.288
mm
+ 0.051 / + 0.0762
(Equiv. 0.563 in.) - Length (s)
19.050
mm
+/- 0.127
(Equiv. 0.75 in.) - Material Bronze LG2
Product Compliance and Data
Additional Resources
- DU Bush Material Information
- General Bushes Catalogue
- Sintered Bronze Products Catalogue
- Solid Bronze Bushes catalogue
Cross References
- Austral 50033404
- Bunting BB-0709-12
- Century CB-0709-06
- Flocast TB19
- BB070912
- CB070906


