Miniature Bearings Australia - MBA Minibearings
Miniature Bearings Australia

P-XL-010-095FF-PP-GAI-050 - Datasheet

MBA

Category Information

Pulleys - Inch Timing - 5.080mm Pitch XL - 9.5mm Wide - Plastic

Plastic 9.5mm Wide 5.080mm Pitch XL Inch Timing Pulleys. Timing Pulleys to suit XL Series 5.080mm Pitch Timing Belts. Suits belts 9.0 to 9.6mm wide. Brass insert.

  • Timing pulleys combined with timing belts, provide power transmission without slippage.
  • Timing pulleys are toothed pulleys used with timing belts to synchronize the movement of different mechanical components, ensuring precise timing and coordination.
  • Some uses for timing pulleys include 3D printers, CNC machines, robotics and automation components, textile machinery, office equipment such as scanners and copiers, and medical devices requiring precise movement control.

Product Data

Deleted Item. Available while stocks last.

Please contact us first if you wish to use this item in a new design so we can check whether production can be resumed.

  • Number of Teeth : 10
  • Max Belt Width 9.50 mm
    (Equiv. 0.374 in.)
  • Bore (d) 5.000 mm
    (Equiv. 0.197 in.)
  • Unfinished
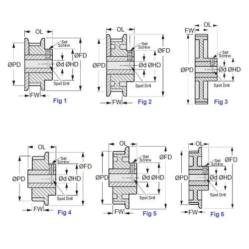
  • Type (See Diagram) Fig 1 mm
  • Pitch Diameter (PD) 16.16 mm
  • Flange Diameter (FD) 22.0 mm
  • Overall Length 20.6 mm
  • Hub Diameter (HD) 17.5 mm
  • Locking Type Set Screw, Aluminium Insert
  • Material Fibreglass Reinforced Polycarbonate
Country of Origin: US

Product Compliance and Data

Additional Resources

Cross References

  • A 6Z 3M10DF09505
  • A6Z3M10DF09505
View full details