
Miniature Bearings Australia
PB1-S6800BZZ - Datasheet
MBA
Category Information
Housings - Pillow Block MiniaturePillow Block Miniature Housings. Spyraflo aluminium pillow block housings mounted with 440C stainless miniature bearings
- This category will be discontinued when this item is sold.
- This item is priced to quit.
- Backorders or orders for previously listed items in the category will only be available for very large orders.
- No more need for expensive engineering of housings to suit your new applications.
- Fully greased Japanese 440C Grade corrosion resistant stainless steel ball bearings
- Double shielded bearings to minimise contamination
Product Data
Deleted Item. Available while stocks last.
Please contact us first if you wish to use this item in a new design so we can check whether production can be resumed.
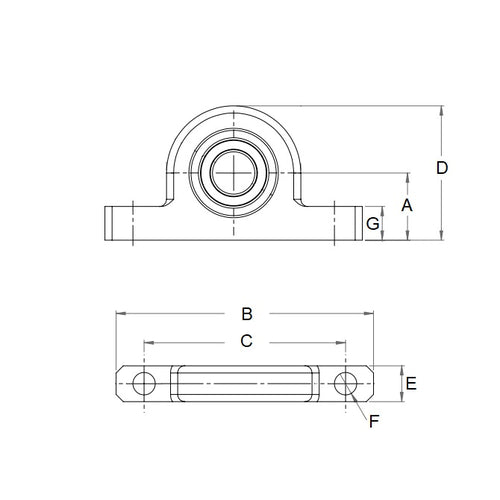
- Shaft Diameter (H)
:
10.000
mm
(Equiv. 0.394 in.) - Max RPM 37000
- Dynamic Load Capacity 1780 N
- Centre Height (A) 14.287 mm
- Overall Length (B) 57.15 mm
- Bolt Hole Centres (C) 44.450 mm
- Height (D) 28.70 mm
- Width (E) 10.16 mm
- Hole Diameters (F) 3.962 mm
- Base Height (G) 6.35 mm
- Material Steel
Product Compliance and Data
Additional Resources
Cross References
- A 7Z29MXS010
- A7Z29MXS010


