
Miniature Bearings Australia
BP0100-0190-0070-BSLU - Datasheet
MBA
Category Information
Bushes - Unflanged - Bronze - SinteredSintered Bronze Unflanged Bushes. Oil impregnated sintered bronze bushes.
- An expanded range may be available on special order. Please enquire.
- Precision items show an allowable Load Speed Rating in Newtons times RPM.
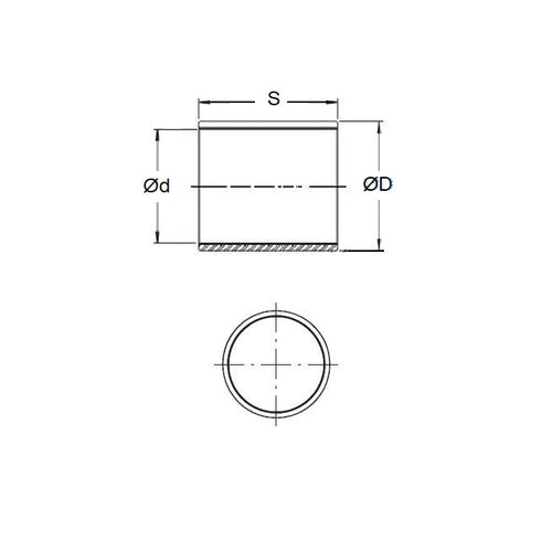
Product Data
- Nominal Inside Diameter (d)
:
10.000
mm
+ 0.000 / + 0.015
(Equiv. 0.394 in.) - Nominal Outside Diameter (D)
19.000
mm
+ 0.00 / - 0.013
(Equiv. 0.748 in.) - Length (s)
7.000
mm
+ 0 / - 0.170
(Equiv. 0.276 in.) - Material Bronze SAE 841 Sintered
Product Compliance and Data
Additional Resources
- DU Bush Material Information
- General Bushes Catalogue
- Sintered Bronze Products Catalogue
- Solid Bronze Bushes catalogue
Cross References
- BP010001900070BS
- S99BP3MPB101970


