
Miniature Bearings Australia
PLIT-100-200-150-31-S3 - Datasheet
MBA
Category Information
Plungers - Indexing - Non Locking - Stainless SteelStainless Steel Non Locking Indexing Plungers. Used to prevent change in locking position due to shearing force. Spring loaded for use in fastening, locating and indexing on equipment, tooling and other applications.
- Spring-loaded pin used to lock a part into a specific position.
- To use it, pull the handle or knob, which retracts the pin, allowing the part to be moved freely. When released the pin springs back into a hole, securing the part in its new position.
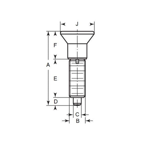
Product Data
- Thread (B) : M20 Extra Fine (20x1.5mm)
- Thread Length (E)
43.0
mm
(Equiv. 1.693 in.) - Initial End Force 1.8 N
- Final End Force 4.6 N
- Tip Diameter (A) 10.0 mm
- Tip Length (D) 10.0 mm
- Installation Tool WIP-5020
- Material Stainless Steel
Product Compliance and Data
Additional Resources
Cross References
- WIP425
- WIP-425


