
Miniature Bearings Australia
GE-10160-15875-ST-OH-W - Datasheet
MBA
Category Information
Bushings - Spherical - Steel - With Oil Hole and Wiper SealWith Oil Hole and Wiper Seal Steel Spherical Bushings. Steel spherical plain bearings. Also known as ball bushings.
- Self-aligning bearing that has spherical inner and outer rings, allowing it to handle both large radial and axial loads simultaneously.
- Used in applications with slow swinging movements or where misalignment must be compensated for, such as in control linkages, suspension components, and industrial machinery.
- Designed to reduce vibration and noise by allowing articulating motion in a fixed directional load.
- Compensates for axial loads and misalignment.
Product Data
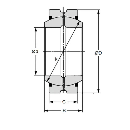
- Bore (d1)
:
101.600
mm
(Equiv. 4 in.) - OD (d2)
158.75
mm
(Equiv. 6.25 in.) - Width (B)
88.900
mm
(Equiv. 3.5 in.) - Outer Width (C) 76.20 mm
- Dynamic Load Capacity 111000 kgf
- Static Load Capacity 668000 kgf
- Features With Wiper Seals / With Oil Hole
- Material Steel
Product Compliance and Data
Additional Resources
Cross References
- Nachi SBB-64-2RS
- IKO SBB64-2RS
- Nachi SBB-64-RS
- IKO SBB64-RS
- SBB64RS
- SBB642RS


