
Miniature Bearings Australia
BP1000-1200-1000-BRP - Datasheet
MBA
Category Information
Bushes - Unflanged - Brass Graphite PlugBrass Graphite Plug Unflanged Bushes. Used for dies, moulds and heavy machinery. Brass Alloy.
- An expanded range may be available on special order. Please enquire.
- High-Tensile Brass Alloy. Suitable for use under conditions of heavy load and low speed operation.
- Solid Lubricant Plugs
- Excellent wear resistance can be exerted at parts with reciprocating motion, frequent starting and stopping, etc., where oil film is difficult to form.
- Class 7 precision ID
- 29N per mm sq max allowable load with max allowable speed 0.5m per second unlubricated and 1m per second lubricated
Product Data
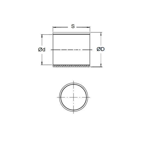
- Nominal Inside Diameter (d)
:
100.000
mm
+ 0.038 / + 0.071
(Equiv. 3.937 in.) - Nominal Outside Diameter (D)
120.000
mm
m6
(Equiv. 4.724 in.) - Length (s)
100.000
mm
- 0.1 / - 0.3
(Equiv. 3.937 in.) - Material Brass with Graphite Plug
Product Compliance and Data
Additional Resources
- DU Bush Material Information
- General Bushes Catalogue
- Sintered Bronze Products Catalogue
- Solid Bronze Bushes catalogue
Cross References
- Misumi C-MUBZ100-100
- CMUBZ100100


