
Miniature Bearings Australia
BSP1025SL - Datasheet
MBA
Category Information
Slides - Linear - Non Recirculating Ball - StandardStandard Non Recirculating Ball Linear Slides. The BSP precision Linear Slide series is a lightweight and compact linear motion rolling guide made of stainless steel formed precisely to be U-shaped table or track rail.
- Slides: Stainless Steel End Stop / Retainer: Synthetic Resin.
- Maximum Speed: 0.5 m/sec (30m/min).
- Temperature: +100oC (Constant), +120oC (Maximum).
- Does not incorporate a mechanical stopper.
- Sensitive to external contaminants.
Product Data
Deleted Item. Available while stocks last.
Please contact us first if you wish to use this item in a new design so we can check whether production can be resumed.
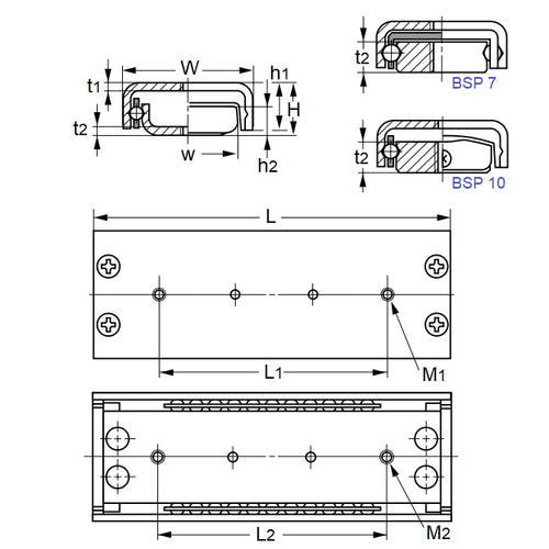
- Width (W)
:
10.00
mm
(Equiv. 0.394 in.) - Height (H)
6.00
mm
(Equiv. 0.236 in.) - Length (L)
25.00
mm
(Equiv. 0.984 in.) - Bolt Hole Centres (L2) 15.00 mm
- Max Stroke 15 mm
- Screw / Max Depths (S1/S2) M2.6 / 1.5 / 2.7 mm
- Table/Bed Depth (h1/h2) 5.8 / 3.7 mm
- Table Thickness (t1) 1.1 mm
- Bed Thickness (t2) 2.7 mm
- Basic Dynamic Load Rating 30 kgf
- Basic Static Load Rating 17 kgf
Product Compliance and Data
Additional Resources
Cross References
- Nachi BSP-1025SL
- BSP1025SL


