
Miniature Bearings Australia
SP1-159-097P-010-PB-C - Datasheet
MBA
Category Information
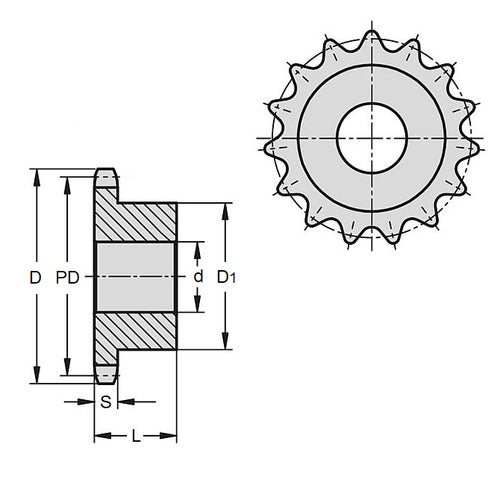
Sprockets - Roller Chain - Simplex - 10B - With BossWith Boss 10B Simplex Roller Chain Sprockets. Match with 15.90x9.65mm duplex steel chain (10B-2 BS)
- This category will be discontinued when the remaining items are sold.
- All items are priced to quit.
- Backorders or orders for previously listed items in the category may still be possible - please enquire.
- Pilot bored sprockets come with a very small bore that will need to be machined by the customer to suit their shaft size.
- British Standard 10B - 5/8 inch
Product Data
Deleted Item. Available while stocks last.
Please contact us first if you wish to use this item in a new design so we can check whether production can be resumed.
- Number of Teeth : 10
- PCD
50.51
mm
(Equiv. 1.989 in.) - Standard Number 10B-1
- Type / Rows 3
- Bore (d) Pilot Bore
- Locking Method None
- Material Carbon Steel
Product Compliance and Data
Additional Resources
Cross References
- Sprocket 10B-1-10T


