
Miniature Bearings Australia
NT048F-THC-S3 - Datasheet
MBA
Category Information
Nuts - Thumb - Collared - StainlessStainless Collared Thumb Nuts. This is the main category in this series
Product Data
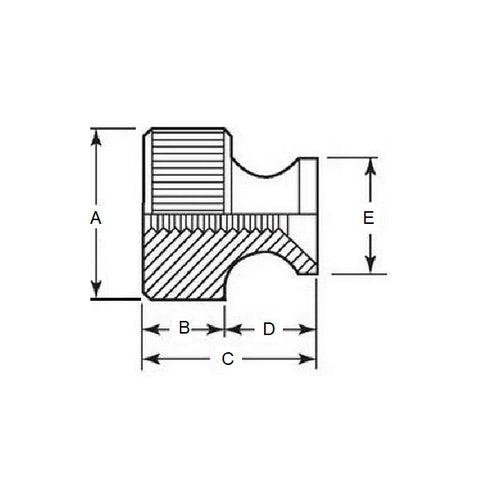
- Thread Size : 10-32 UNF (4.76mm)
- Overall Length (C)
8.7
mm
(Equiv. 0.343 in.) - Head Width (B)
3.97
mm
(Equiv. 0.156 in.) - Head Diameter (A) 12.70 mm
- Collar Diameter (E) 10.32 mm
- Collar Height (D) 4.76 mm
- Material Stainless Steel 303 (Similar to A2, 304, 18-8)
Product Compliance and Data
Additional Resources
Cross References
- 95150A160
- AJ758
- AJ-758
