
Miniature Bearings Australia
THS048F-025-K-NY - Datasheet
MBA
Category Information
Screws - Thumb - Knurled - NylonNylon Knurled Thumb Screws. Nylon knurled head thumb screws
- An expanded range may be available on special order. Please enquire.
Product Data
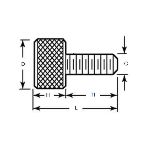
- Thread Size (C) : 10-32 UNF (4.76mm)
- Thread Length (Tl)
25.40
mm
(Equiv. 1 in.) - Overall Length (L)
30.16
mm
(Equiv. 1.187 in.) - Head Diameter (D) 19.05 mm
- Head Height (H) 4.76 mm
- Material NYLATRON GS (PA66 + MoS2)
Product Compliance and Data
Additional Resources
- Screws & Nuts Catalogue
- Shoulder Screws Catalogue
- Socket Set (Grub) Screws Catalogue
- Thumb Screws & Thumb Nuts Catalogue
- Thread Size Chart - Combined Imperial & Metric
Cross References
- 94955A065
- NC155
- NC-155


