Miniature Bearings Australia - MBA Minibearings
Miniature Bearings Australia

KF048C-025-TPST - Datasheet

MBA

Category Information

Knobs - Ball - Female Threaded - Polished Steel

Polished Steel Female Threaded Ball Knobs. Low carbon steel 12L14

  • An expanded range may be available on special order. Please enquire.

Product Data

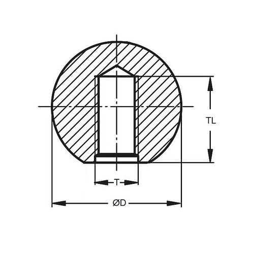
  • Thread or Hole Size : 10-24 UNC (4.76mm)
  • Diameter 25.40 mm
    (Equiv. 1 in.)
  • Thread Minimum Depth 9.5 mm
    (Equiv. 0.374 in.)
  • Material Steel
Country of Origin: US

Product Compliance and Data

Additional Resources

Cross References

  • SB22
  • SB-22
View full details