
Miniature Bearings Australia
PUI020-1420-150-AZS440 - Datasheet
MBA
Category Information
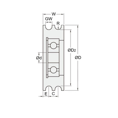
Pulleys - U Groove Idler - Double Row - AluminiumAluminium Double Row U Groove Idler Pulleys. Aluminium with Stainless Ball Bearings
- Use with round belts such as Round Seamless Urethane or O-Rings
- Also used to run on round shafting or curved tracks
Product Data
- Maximum Cable Diameter (H)
:
10.0
mm
(Equiv. 0.394 in.) - Outside Diameter (OD)
142.0
mm
(Equiv. 5.591 in.) - Bore (A)
15.000
mm
(Equiv. 0.591 in.) - Body Width 25.0 mm
- Overall Width (OAL) 25.0
- Dia. to Base of Groove (B) 130 mm
- Centre Spacing 12
- Type Stainless 440 Shielded Precision Ball Bearing
- Groove Radius (R) 5.1
- Material Aluminium - Electroless Nickel Plated
Product Compliance and Data
Additional Resources
Cross References
- MBXA14051


