
Miniature Bearings Australia
MR243-050-ZZ-VP-048 - Datasheet
MBA
Category Information
Dual Vee - Plain Guide WheelsPlain Guide Wheels Dual Vee. Vee grooved track roller guide wheels with Abec 5 precision bearings.
- An expanded range may be available on special order. Please enquire.
- Match with correct Track Size.
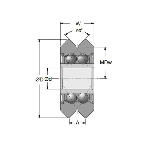
Product Data
- Size Reference : 1 or 2
- Outside Diameter (O.D)
24.300
mm
(Equiv. 0.957 in.) - Journal Width (W)
5.000
mm
(Equiv. 0.197 in.) - Groove Top Width (A) 4.800 mm
- Bore (d) 5.000 mm
- Bottom of Groove to Ctre (MDw) 9.80 mm
- Radial Working Load Capacity 65 KgF
- Axial Working Load Capacity 27 KgF
- Bearing Type Shielded Bearing
- Material Chrome Steel SAE 52100 with Economy Plastic Vee
Product Compliance and Data
Additional Resources
Cross References
- MR243005000ZZVP4800


