
Miniature Bearings Australia
SS019F-0032-AS - Datasheet
Brighton Best
Category Information
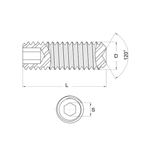
Socket Set Screws - Standard Cup Point - Alloy Steel DIN916Alloy Steel DIN916 Standard Cup Point Socket Set Screws. Standard grub screws. UNC - UNF - BA - METRIC.
- Socket driven grub screw with a standard cup point.
Product Data
- Thread Size : 1-72 UNF (1.85mm)
- Thread Length (L)
3.2
mm
(Equiv. 0.126 in.) - Type Standard Cup Point
- Hex Key Size 0.90
- Pitch 0.353 mm
- Threads Per Inch 72 TPI
- Finish Hardened, Black Oxide Coated
- Material Carbon Steel - Hardened GD14.9
Product Compliance and Data
Additional Resources
- Screws & Nuts Catalogue
- Shoulder Screws Catalogue
- Socket Set (Grub) Screws Catalogue
- Thumb Screws & Thumb Nuts Catalogue
- Thread Size Chart - Combined Imperial & Metric
Cross References
- Brighton Best 101025
- 91375A063
- Small Parts SSAS-172-2
- SSAS1722


