
Miniature Bearings Australia
KF064C-038-TPHS - Datasheet
MBA
Category Information
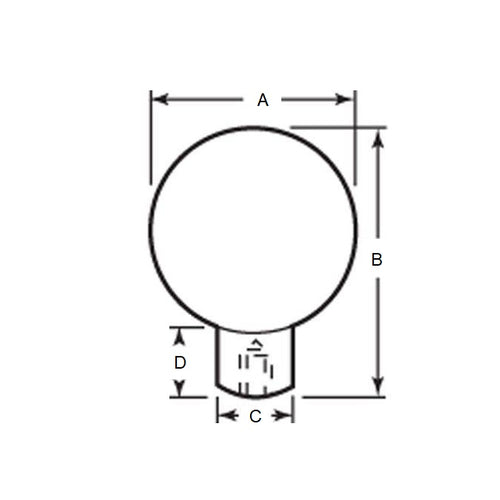
Knobs - Ball - Female Threaded - Phenolic - Shank TypeShank Type Phenolic Female Threaded Ball Knobs. Moulded from black phenolic resin.
- An expanded range may be available on special order. Please enquire.
- Phenolic Ball Knobs with Shanks. To Screw onto threads.
Product Data
- Thread or Hole Size : 1/4-20 UNC (6.35mm)
- Diameter
38.10
mm
(Equiv. 1.5 in.) - Thread Type Tapped
- Shank Height (D) 7.94
- Shank Diameter (C) 15.88 mm
- Height (B) 46.04 mm
- Material Phenolic
Product Compliance and Data
Additional Resources
Cross References
- DK-375
- DK375


