
Miniature Bearings Australia
KF064C-035-TPST - Datasheet
MBA
Category Information
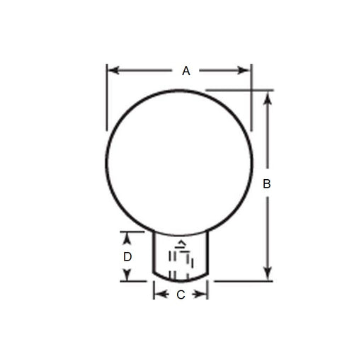
Knobs - Ball - Female Threaded - Polished SteelPolished Steel Female Threaded Ball Knobs. Low carbon steel 12L14
- An expanded range may be available on special order. Please enquire.
Product Data
- Thread or Hole Size : 1/4-20 UNC (6.35mm)
- Diameter
34.93
mm
(Equiv. 1.375 in.) - Thread Minimum Depth
15.9
mm
(Equiv. 0.626 in.) - Material Steel
Product Compliance and Data
Additional Resources
Cross References
- 6045K57
- SB-7
- SB7


