
Miniature Bearings Australia
SC064C-013-C-SK-C-NT - Datasheet
MBA
Category Information
Screws - Cap Tipped - Socket - Alloy Steel - Nylon TipNylon Tip Alloy Steel Socket Cap Tipped Screws. Nylon tipped socket cap screws in alloy steel
- Socketed cap head screws with a soft tip end.
Product Data
Deleted Item. Available while stocks last. Deleted Item. Available while stocks last.
Please contact us first if you wish to use this item in a new design so we can check whether production can be resumed.
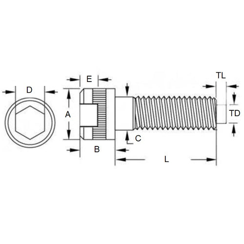
- Thread Size (C) : 1/4-20 UNC (6.35mm)
- Thread Length (L)
12.7
mm
(Equiv. 0.5 in.) - Tip Diameter
3.20
mm
(Equiv. 0.126 in.) - Tip Length 1.57 mm
- Head Length (B Max.) 6.35 mm
- Head Diameter (A Max.) 9.53 mm
- 6.18 - 6.35
- Material Steel Alloy
Product Compliance and Data
Additional Resources
- Screws & Nuts Catalogue
- Shoulder Screws Catalogue
- Socket Set (Grub) Screws Catalogue
- Thumb Screws & Thumb Nuts Catalogue
- Thread Size Chart - Combined Imperial & Metric
Cross References
- 90303A125
- TNT215
- TNT-215


