
Miniature Bearings Australia
KM127C-050-7L60-ST - Datasheet
MBA
Category Information
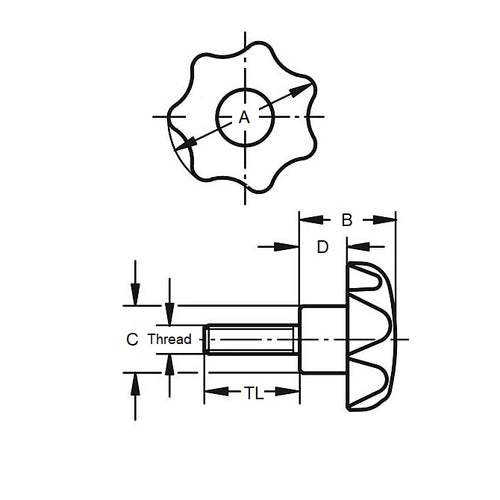
Knobs - Lobe - Seven Lobe - Male - StandardStandard Male Seven Lobe Lobe Knobs. Also see star knobs
- An expanded range may be available on special order. Please enquire.
Product Data
- Thread Size : 1/2-13 UNC (12.7mm)
- Head Diameter (A)
50.00
mm
(Equiv. 1.969 in.) - Thread Length
60.0
mm
(Equiv. 2.362 in.) - Colour Black
- Hub Diameter (C) 22.10 mm
- Hub Length (D) 17.02 mm
- Knob Height (B) 32.00 mm
- Material Plated Steel
Product Compliance and Data
Additional Resources
Cross References
- KaVo KBP-277
- KBP277


