
Miniature Bearings Australia
KF127C-035-TPLK - Datasheet
MBA
Category Information
Knobs - Ball - Female Threaded - Plastic with KnurlPlastic with Knurl Female Threaded Ball Knobs. Brass threaded insert
- An expanded range may be available on special order. Please enquire.
- Knurled circumference to assist with grip
Product Data
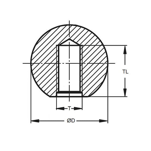
- Thread or Hole Size : 1/2-13 UNC (12.7mm)
- Diameter
35.05
mm
(Equiv. 1.38 in.) - Thread Depth (C)
19.1
mm
(Equiv. 0.752 in.) - Material Plastic
Product Compliance and Data
Additional Resources
Cross References
- RST29
- RST-29


