
Miniature Bearings Australia
BF0012-0048-0028-BS0608LU - Datasheet
MBA
Category Information
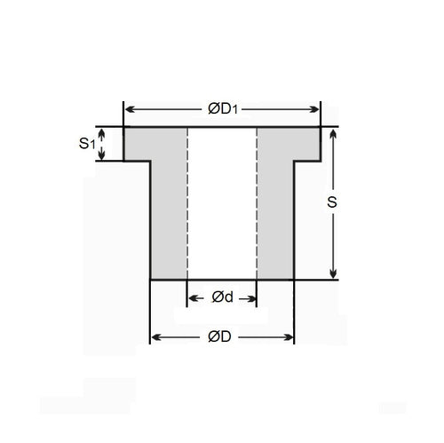
Bushes - Flanged - Bronze - SinteredSintered Bronze Flanged Bushes. Oil impregnated flanged sintered bronze bushes.
- An expanded range may be available on special order. Please enquire.
- Precision items show an allowable Load Speed Rating in Newtons times RPM.
Product Data
- Nominal Inside Diameter (d)
:
1.191
mm
+ 0.000 / + 0.010
(Equiv. 0.047 in.) - Nominal Outside Diameter (D)
4.763
mm
+ 0.003 / - 0.010
(Equiv. 0.188 in.) - Length (s)
2.779
mm
+ 0 / - 0.127
(Equiv. 0.109 in.) - Flange OD (D1) 5.94 mm
- Flange Thickness (S1) 0.79 mm
- Material Bronze SAE 841 Sintered
Product Compliance and Data
Additional Resources
- DU Bush Material Information
- General Bushes Catalogue
- Sintered Bronze Products Catalogue
- Solid Bronze Bushes catalogue
Cross References
- BF001200480028BS
- BF001200480028BSLU
- S99BP4-FB031207
- S99BP4FB031207


