
Miniature Bearings Australia
DVWS0-2RS - Datasheet
MBA
Category Information
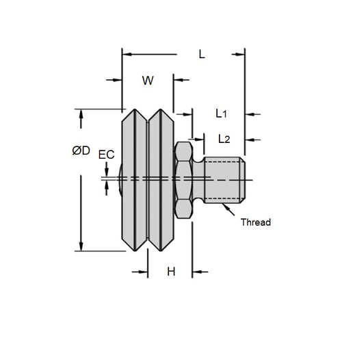
Dual Vee - Studded Guide WheelsStudded Guide Wheels Dual Vee. Vee grooved track roller guide wheels.
- An expanded range may be available on special order. Please enquire.
- Match with correct Track Size.
- Note! OD is reference only. Allow up to 1.2 mm larger than listed.
Product Data
- Size Reference : 0
- Outside Diameter (O.D)
14.8
mm
(Equiv. 0.583 in.) - Journal Width (W)
6.35
mm
(Equiv. 0.25 in.) - Overall Length (L) 17.0 mm
- Wheel Type Stationary
- Static Load (Radial / Axial) 50 / 47 kg
- Dynamic Load (Radial / Axial) 105 / 53 kg
- Thread Size x Length (l2) M6 x 1.0 x 7.6
- Bearing Type Rubber Sealed
- Material Chrome Steel SAE 52100 with Seals
Product Compliance and Data
Additional Resources
Cross References
- WZ-405
- WZ405


