
Miniature Bearings Australia
DVWS0-ADJ-ZZ - Datasheet
MBA
Category Information
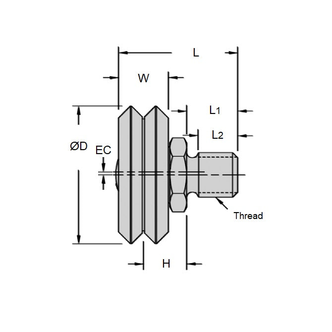
Dual Vee - Studded Guide WheelsStudded Guide Wheels Dual Vee. Vee grooved track roller guide wheels.
- An expanded range may be available on special order. Please enquire.
- Match with correct Track Size.
- Note! OD is reference only. Allow up to 1.2 mm larger than listed.
Product Data
Deleted Item. Available while stocks last.
Please contact us first if you wish to use this item in a new design so we can check whether production can be resumed.
- Size Reference : 0
- Outside Diameter (O.D)
14.8
mm
(Equiv. 0.583 in.) - Journal Width (W)
6.35
mm
(Equiv. 0.25 in.) - Overall Length (L) 17.0 mm
- Wheel Type Adjustable
- Offset Value (EC) 0.46 mm
- Static Load (Radial / Axial) 65 / - kg
- Thread Size x Length (l2) M5 x 0.8 x 7.6
- Bearing Type Metal Shielded
- Material Chrome Steel SAE 52100 with Shields
Product Compliance and Data
Additional Resources
Cross References
- WZ-410
- WZ410



